Rangkaian H-bridge sederhana merupakan suatu rangkaian elektronika yang menggunakan transistor, yang mana biasa digunakan untuk driver kendali arah putaran motor. Disebut dengan nama H-bridge karena konfigurasi transistor penyusunnya sepeti membentuk huruf H. Transistor tersebut digunakan sebagai switching sehingga nantinya memungkinkan motor untuk dapat berputar searah dengan jarum jam, clockwise, atau berlawanan dengan arah jarum jam, counterclockwise. Karena dalam penerapan rangkaian sederhana H-bridge menggunakan transistor, maka terlebih dahulu akan dijabarkan sedikit penjelasan tentang komponen tersebut.
Dasar Transistor
Transistor memiliki tiga kaki yang disebut dengan istilah collector, base, dan emitter. Selain berfungsi sebagai saklar, transistor juga dapat digunakan sebagai penguat arus, current amplifier, sebagai penyearah, untuk rangkaian mixer, juga sebagai oscillator. Prinsip kerja dari transistor yaitu jika pada kaki base mengalir arus IB dan pada collector mengalir arus IC, maka pada emitor mengalir arus IE. Dengan persamaan yang sesuai dengan Hukum Arus Kirchoff bahwa jumlah arus keseluruhan yang memasuki titik percabangan sama besar dengan jumlah arus yang meninggalkan titik tersebut. Secara sederhana jumlah arus masuk sama dengan jumlah arus keluar. Sehingga dengan demikian diperoleh persamaan sebagai berikut.
Dimana IE adalah arus yang keluar dari emitter, IB arus yang masuk pada base, dan IC merupakan arus yang masuk pada collector. Terdapat dua jenis transistor ialah jenis NPN dan jenis PNP. Pada transistor jenis NPN tegangan base dan collector positif terhadap emitter, sedangkan pada transistor PNP tegangan base dan collector negatif terhadap tegangan emitter.
Prinsip Kerja Rangkaian H-Bridge
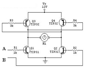
Berdasarkan gambar schematic sederhana tersebut dapat dijabarkan mengenai prinsip kerja dari suatu rangkaian H-bridge.
Dimana terdapat dua buah input, yakni A dan B, dengan kondisi input tersebut dapat bernilai high atau low, maka terdapat empat kondisi yang dimungkinkan dalam rangkaian tersebut. Kondisi tersebut ialah sebagai berikut.
Kondisi A dan B Bernilai Low
Karena input A dan B bernilai sama low, maka kedua transistor Q1 dan Q2 tidak akan mendapat trigger pada base sehingga transistor bersifat cut-off atau transistor bersifat seperti saklar yang terbuka. Dari rangkaian diatas terlihat pula bahwa kedua transistor Q3 dan juga Q4 bergantung pada transistor Q1 dan Q2 dimana base dari kedua transistor Q3 dan Q4 terhubung pada collector transistor Q1 dan Q2. Jadi, apabila tidak ada arus yg mengalir pada collector transistor Q1 dan Q2 maka base dari transistor Q3 dan Q4 juga tidak akan terpicu akibatnya motor tidak akan berputar atau berhenti.
Kondisi A High dan B Low
Pada saat input A bernilai high sedangkan input B bernilai low, maka Q1 akan mengalami saturasi sedangkan Q2 cut-off. Karena Q1 bersifat saturasi atau seperti saklar yang tertutup maka base Q4 akan mendapat trigger sehingga Q4 juga bersifat saturasi. Akibatnya Q4 juga akan menjadi saturasi karena base dari Q4 mendapat trigger dari Q1. Sehingga arus akan mengalir dengan urutan seperti berikut, dari Vs menuju Q4, melewati motor, menuju Q1, hingga ke ground.
Kondisi A Low dan B High
Pada saat input A bernilai low sedangkan input B bernilai high maka Q2 akan mengalami saturasi sedangkan Q1 tetap dalam kondisi cut-off. Karena Q2 bersifat saturasi atau seperti saklar yang tertutup maka base Q3 akan mendapat trigger sehingga Q3 juga bersifat saturasi. Akibatnya arus akan mengalir dengan urutan seperti berikut, dari Vs menuju Q3, melewati motor, menuju Q1, hingga ke ground.
Kondisi A dan B Bernilai High
Jika kedua input A dan B bernilai high secara bersamaan maka akan mengakibatkan semua transistor dalam kondisi saturasi. Secara logika motor tidak akan berputar karena tidak ada beda tegangan. Namun hal ini akan menyebabkan timbulnya panas yang berlebihan pada semua transistor sehingga dapat menyebabkan kerusakan. Oleh karena itu hal ini harus dihindari.
Untuk penerapan rangkaian H-bridge ini banyak digunakan pada pengaturan motor DC untuk menggerakkan motor secara putar ke kanan dan putar ke kiri dengan menggunakan transistor sebagai saklar.
Lihat juga mengenai modul driver kendali motor Arduino.
Bila ada sesuatu yang belum jelas dan ingin tahu lebih dalam seputar project Arduino, pemrograman, dan elektronika, bisa bertanya pada bagian comment.
